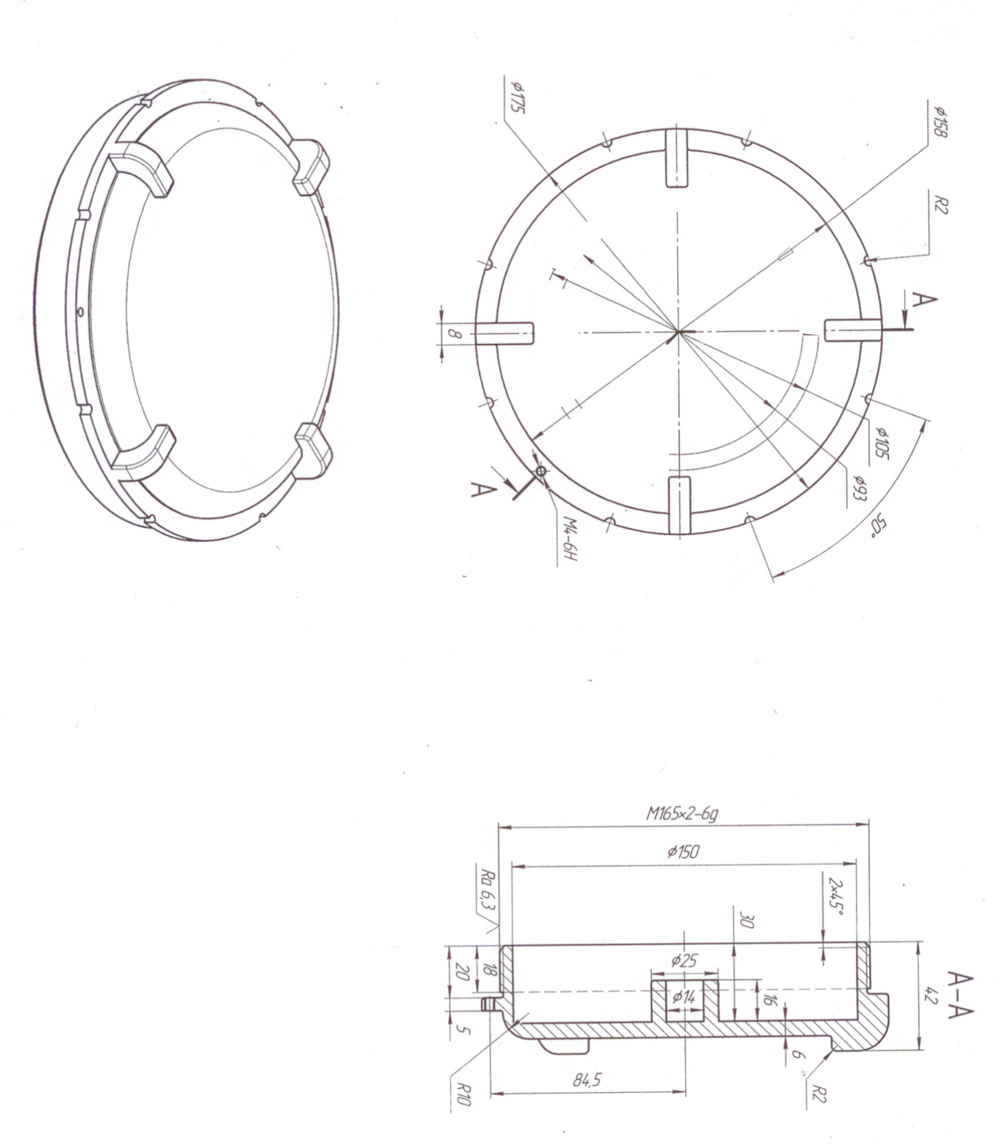
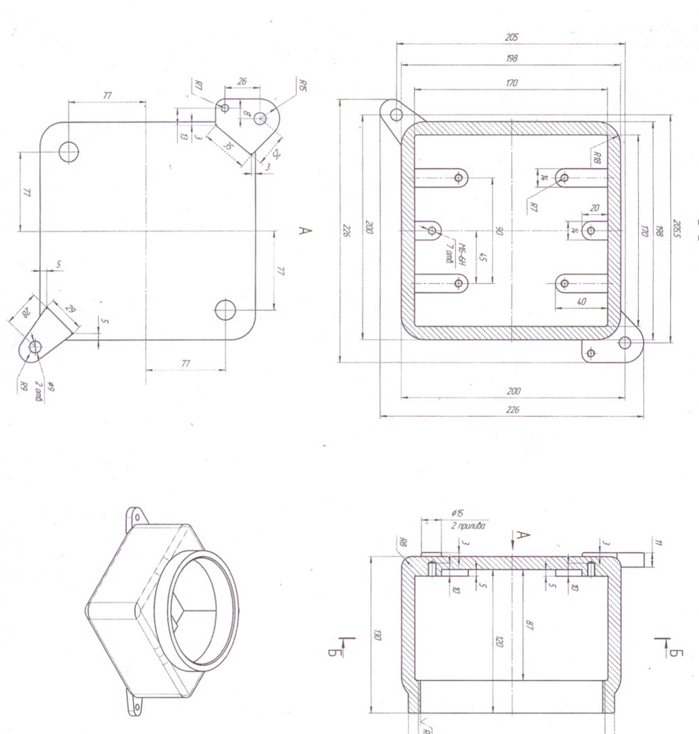
En este proyecto se realizó la impresión 3D de una carcasa con tapa (enclosure) diseñada para proteger y alojar componentes electrónicos.
El modelo 3D fue desarrollado teniendo en cuenta la funcionalidad del conjunto: una base sólida con espacio interno para componentes y una tapa superior que garantiza un cierre seguro.
La carcasa incluye elementos de fijación que permiten su instalación en diferentes superficies o equipos. La tapa encaja perfectamente en la base, proporcionando estabilidad y protección.
Gracias a la impresión 3D, es posible fabricar este tipo de carcasas personalizadas con alta precisión, adaptadas a las necesidades específicas del cliente, sin necesidad de moldes ni producción en serie.
Este tipo de enclosures es ideal para electrónica, sensores, dispositivos técnicos y prototipos funcionales.
Ventajas de la impresión 3D de carcasas:
- Fabricación de carcasas a medida
- Diseño personalizado según requisitos
- Alta precisión y ajuste entre tapa y base
- Producción rápida sin moldes
- Adaptación a diferentes aplicaciones técnicas
También realizamos:
- Carcasas para electrónica
- Enclosures personalizados
- Piezas técnicas y componentes de montaje
- Prototipos funcionales
- Diseño y modelado 3D
- Impresión 3D en diferentes materiales

Controls
×- Rotate with the left mouse button.
- Zoom with the scroll button.
- Adjust camera position with the right mouse button.
- Double-click to enter the fullscreen mode.
- On mobile devices swipe to rotate.
- On mobile devices pinch two fingers together or apart to adjust zoom.
- On mobile devices 3 finger horizontal swipe performs panning.
- On mobile devices 3 finger horizontal swipe performs panning.
Prototipado 3D Es una etapa muy importante en el proceso de fabricación.Antes de iniciar la producción en serie, es necesario realizar pruebas, …
Ingeniería 3D Digital Professional ¿Para qué sirve este sector? A menudo, para un proyecto, una empresa necesita un maqueta o prototipo del …
Impresion 3D industrial La impresión 3D para proyectos industriales serios requiere una amplia experiencia en diseño y un profundo conocimiento de los …

















